Nova generacija orodij za perforiranje talilnih elementov
Perforacija talilnega elementa je ena najpomembnejših faz, pri izdelavi varovalk, ki bistveno vpliva na zmogljivost izdelka. Zahteve kupcev po kakovosti in količinah so se v zadnjih letih močno povečale, zato je bil čas za prenovo orodij in strojev (stiskalnic), na katerih se perforacija izvaja.
| Bojan Urankar Konstrukter  | 
perforate  | 
 predreti in narediti luknjo ali več lukenj.  | 
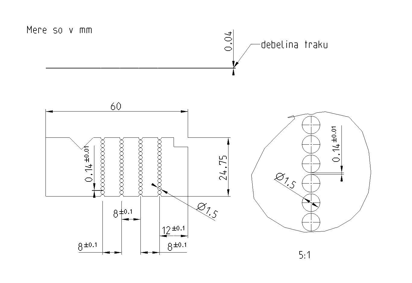
Talilni element s perforacijo okroglih odprtin: premer odprtin in debelina v primerjavi s človeškim lasom 
  | ![]()  | 
Prednosti nove generacije orodij:
- višja kakovost perforacije,
- izboljšana učinkovitost in zanesljivost,
- večja prilagodljivost pri menjavi tipa izdelka,
- izboljšani delovni pogoji,
- daljša življenjska doba orodja, poenostavljeno vzdrževanje,
- znižani stroški vzdrževanja in obratovanja.
Primer enega izmed starih orodij za perforacijo:

RAZVOJ NOVIH ORODIJ
Vzporedno z razvojem novih orodij smo zamenjali tudi obstoječe stiskalnice, da bi povečali tako kakovost kot količino perforacij. Nove stiskalnice omogočajo do 600 vrt/min.

Z novimi stiskalnicami lahko zdaj dosegamo do 6-krat večji izplen kot s starimi. Očitno se je zmanjšal tudi hrup, poraba stisnjenega zraka pa je skoraj nična.
Razvili smo nov in inovativen koncept celotnega orodja, pri katerem orodne nosilne plošče in vodilne letve traku ostanejo vpete v stroju. Ob menjavi perforacijske matrice se tako zamenja le orodno jedro (rezilni deli, kjer se pločevina perforira).
![]()  | ![]()  | 
Z izbiro novih rezilnih materialov v orodju in z dodatnim nanosom trdometalnega premaza smo življenjsko dobo rezilnih delov podaljšali s sedanjih 100.000 hodov na doseženih 800.000 brez vzdrževanja ali brušenja orodja. Nekatera orodja smo poenostavili tako, da je mogoče manjša vzdrževalna dela opraviti kar v proizvodni enoti (menjava okroglih standardnih rezilnih delov).
Nova generacija orodij za perforacijo je rezultat konstruktivnega sodelovanja in izmenjave izkušenj med razvojem, proizvodnjo, tehnologijo (ETI) in orodjarnico ETI PROPLAST. Preizkus rezanja oblikovnih odprtin je bil izveden na stroju za žično elektroerozijo CUT 1000 Water pri +GF+ v Švici. Rezultati so presegli pričakovanja tako po natančnosti izdelave kot po kakovosti površine. 
Orodje smo nato spremljali v obratovanju in analizirali tako v orodjarni kot v proizvodnji – do več kot 2.000.000 izdelanih izrezov. Ugotovili smo, da je obraba rezil bistveno manjša kot pri delih, izdelanih z žično erozijo. Z uporabo nove tehnologije izdelave perforacijskih orodij smo dosegli višjo kakovost perforacije ter izboljšano učinkovitost in zanesljivost orodij skozi čas.
Trenutno razmišljamo o novih izboljšavah in inovacijah, ki bodo olajšale delo ter še povečale produktivnost, varnost pri delu in dodatno izboljšale kakovost talilnih elementov.
        
                            
        
        
                    
                    
                    
                    
                    
                    
                    
                    
                    
                    
                    
                    
                    
                    
                    
                    
                    
                    
        
        


