Podstavek MERB-T 002473035
Specifikacija
- Koda izdelka:
- 002473035
- Opis:
- MERB-T
- Ime razreda:
- Podstavek
- Funkcija pribora:
- Vtično podnožje (Osnova)
- Za uporabo z:
- MER2
- Kategorija:
- Vtičnice in dodatna oprema za MER2
Dokumenti
Logistični podatki
Produkt
- EAN koda izdelka
- 3838400013835
- Teža izdelka
- 0.045 kg
- Carinska tarifa
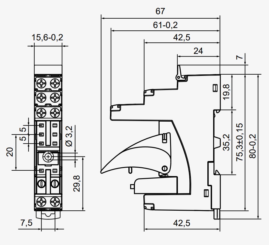
- 85364900
- logis_net_width
- 16 mm
- logis_net_height
- 80 mm
- logis_net_depth
- 61 mm
Osnovno pakiranje
- Količina
- 10
- EAN
- 3838895703136
- Teža
- 0.454 kg
Transportno pakiranje
- Količina
- 100
- EAN
- 3838895703143
- Teža
- 4.64 kg
- Odpremna količina
- 3600
ETIM klasifikacija
- Klasifikacija
- EC001456
- Ime razreda
- Podnožje za rele
- Tip električne povezave
- Vijačni priključek
- Način pritrditve
- Din letev 35 mm
- S snemljivimi sponkami
- Ne
- Število zatičev
- 8
- Premer
- 16mm
- Višina
- 80mm
- Globina
- 61mm
Slike in diagrami
Programska oprema

Oznake
Pripomočki 11
>
>
0